Il existe une large gamme de systèmes laser courants utilisés dans diverses applications telles que le traitement des matériaux, la chirurgie au laser et la télédétection, mais de nombreux systèmes laser ont des paramètres clés communs. L'établissement d'une terminologie commune pour ces paramètres évite les erreurs de communication et leur compréhension permet de spécifier correctement le système laser et ses composants pour répondre aux exigences de l'application.

Figure 1 : Schéma d'un système courant de traitement des matériaux au laser, où chacun des 10 paramètres clés du système laser est représenté par un numéro correspondant
Paramètres de base
Les paramètres de base suivants sont les concepts les plus élémentaires des systèmes laser et sont également essentiels pour comprendre des points plus avancés
1 : Longueur d'onde (unités typiques : nm à um)
La longueur d'onde d'un laser décrit la fréquence spatiale de l'onde lumineuse émise. La longueur d'onde optimale pour un cas d'utilisation donné dépend fortement de l'application. Différents matériaux auront des propriétés d'absorption uniques dépendantes de la longueur d'onde dans le traitement des matériaux, ce qui entraînera différentes interactions avec le matériau. De même, l'absorption et les interférences atmosphériques affecteront différemment certaines longueurs d'onde dans la télédétection, et divers complexes absorberont différemment certaines longueurs d'onde dans les applications laser médicales. Les lasers et les optiques laser à longueur d'onde plus courte sont bénéfiques pour créer des éléments petits et précis avec un chauffage périphérique minimal car le point focal est plus petit. Cependant, ils sont généralement plus chers et plus susceptibles d'être endommagés que les lasers à longueur d'onde plus longue.
2 : Puissance et énergie (unités typiques : W ou J)
La puissance d'un laser est mesurée en watts (W) et est utilisée pour décrire la puissance optique de sortie d'un laser à onde continue (CW) ou la puissance moyenne d'un laser pulsé. Les lasers pulsés sont également caractérisés par leur énergie d'impulsion, qui est proportionnelle à la puissance moyenne et inversement proportionnelle au taux de répétition du laser (Figure 2). L'énergie est mesurée en joules (J).

Figure 2 : Représentation visuelle de la relation entre l'énergie d'impulsion, le taux de répétition et la puissance moyenne d'un laser pulsé
Les lasers à haute puissance et à énergie plus élevée sont généralement plus chers et génèrent davantage de chaleur résiduelle. Il devient également de plus en plus difficile de maintenir une qualité de faisceau élevée à mesure que la puissance et l'énergie augmentent.
3 : Durée d'impulsion (unités typiques : fs à ms)
La durée ou largeur d'impulsion laser est généralement définie comme la largeur totale à mi-hauteur (FWHM) de la puissance optique laser en fonction du temps (Figure 3). Les lasers ultrarapides offrent de nombreux avantages dans une gamme d'applications, notamment le traitement de matériaux de précision et les lasers médicaux. Ils se caractérisent par de courtes durées d'impulsion de l'ordre de quelques picosecondes (10-12 secondes) à quelques attosecondes (10-18 et moins).
P(W)
1/Taux de répétition
Achat de compte public Heure(s)

Figure 3 : Les impulsions d'un laser pulsé sont séparées dans le temps par l'inverse du taux de répétition
4 : Taux de répétition (unités typiques : Hz à MHz)
Le taux de répétition ou fréquence de répétition des impulsions d'un laser pulsé décrit le nombre d'impulsions émises par seconde ou l'intervalle de temps inverse des impulsions (Figure 3). Comme mentionné précédemment, le taux de répétition est inversement proportionnel à l'énergie de l'impulsion et directement proportionnel à la puissance moyenne. Bien que le taux de répétition dépende généralement du milieu de gain laser, il peut varier dans de nombreux cas. Des taux de répétition plus élevés entraînent des temps de relaxation thermique plus courts à la surface de l'optique laser et au niveau du foyer final, ce qui se traduit par un chauffage plus rapide du matériau.
5 : Longueur de cohérence (unités typiques : millimètres à mètres)
Le laser est cohérent, ce qui signifie que les courants électriques à différents moments ou emplacements sont cohérents. Il existe une relation fixe entre les valeurs de phase du champ. Cela est dû au fait que les lasers, contrairement à la plupart des autres types de sources lumineuses, sont produits par émission stimulée. La longueur de cohérence définit une distance sur laquelle la cohérence temporelle de la lumière laser reste constante tout au long de la propagation de la lumière laser, sans dégradation au cours du processus.
6 : Polarisation
La polarisation définit la direction du champ électrique de l'onde lumineuse, « elle est toujours perpendiculaire à la direction de propagation. Dans la plupart des cas, la lumière laser sera polarisée linéairement, ce qui signifie que le champ électrique émis pointe toujours dans la même direction. La lumière non polarisée aura un champ électrique pointant dans de nombreuses directions différentes. Le degré de polarisation est généralement exprimé comme le rapport de la puissance optique de deux états de polarisation orthogonaux, comme 100:1 ou 500:1.
Paramètres du faisceau
Les paramètres suivants caractérisent la forme et la qualité du faisceau laser.
7 : Diamètre du faisceau (unités typiques : mm à cm)
Le diamètre du faisceau d'un laser caractérise l'extension latérale du faisceau, ou sa taille physique perpendiculairement à la direction de propagation. Il est généralement défini comme la largeur 1/e2, qui est la largeur de l'intensité du faisceau jusqu'à 1/e2 (=13,5 %). Au point 1/e2, l'intensité du champ électrique tombe à 1/e (=37 %). Plus le diamètre du faisceau est grand, plus l'optique et l'ensemble du système doivent être grands pour éviter la troncature du faisceau, ce qui augmente les coûts. Cependant, une réduction du diamètre du faisceau augmente la densité de puissance/énergie, ce qui peut également être préjudiciable.
8 : Densité de puissance ou d'énergie (unités typiques : W/cm2 à MWicm2 ou uJ/cm2 à J/cm2)
Le diamètre du faisceau est lié à la densité de puissance/énergie du faisceau laser. Densité énergétique, ou quantité de puissance/énergie optique par unité de surface. Plus le diamètre du faisceau est grand, plus la densité de puissance/énergie du faisceau est faible pour une puissance ou une énergie constante. Une densité de puissance/énergie élevée est souvent souhaitable à la sortie finale du système (par exemple lors de la découpe ou du soudage au laser), mais de faibles concentrations de puissance/énergie sont souvent bénéfiques à l'intérieur du système pour éviter les dommages induits par le laser. Cela empêche également les zones à forte densité de puissance/énergie du faisceau d'ioniser l'air. Pour ces raisons, entre autres, des extenseurs de faisceau laser sont souvent utilisés pour augmenter le diamètre et ainsi réduire la densité de puissance/énergie à l'intérieur du système laser. Cependant, il faut veiller à ne pas trop élargir le faisceau afin qu'il ne soit pas bloqué par les ouvertures du système, ce qui entraînerait un gaspillage d'énergie et des dommages potentiels.
9 : Profil du faisceau
Le profil du faisceau d'un laser décrit l'intensité distribuée sur la section transversale du faisceau. Les profils de faisceau courants comprennent les faisceaux gaussiens et les faisceaux à sommet plat, dont les profils de faisceau suivent respectivement la fonction gaussienne et la fonction à sommet plat (Figure 4). Cependant, aucun laser ne peut produire un faisceau complètement gaussien ou complètement à sommet plat avec un profil de faisceau qui correspond exactement à sa fonction caractéristique, car il y a toujours un certain nombre de points chauds ou de fluctuations à l'intérieur du laser. La différence entre le profil de faisceau réel d'un laser et le profil de faisceau idéal est souvent décrite par des mesures incluant le facteur M2 du laser
Profils de poutres supérieures plates et gaussiennes

Figure 4 : La comparaison des profils de faisceau d'un faisceau gaussien et d'un faisceau plat de puissance ou d'intensité moyenne égale montre que l'intensité maximale du faisceau gaussien est deux fois supérieure à celle du faisceau plat
10 : Divergence (unités typiques : mrad)
Bien que les faisceaux laser soient souvent considérés comme collimatés, ils contiennent toujours une certaine divergence, qui décrit le degré auquel le faisceau diverge à des distances croissantes par rapport à la taille du faisceau laser en raison de la diffraction. Dans les applications à longue distance de travail, telles que les systèmes LiDAR, où les objets peuvent se trouver à des centaines de mètres du système laser, la divergence devient un problème particulièrement important. La divergence du faisceau est souvent définie par le demi-angle du laser, et la divergence d'un faisceau gaussien (0) est définie comme suit :

W est la longueur d'onde du laser et w0 est la taille du faisceau du laser
Paramètres finaux du système
Ces paramètres finaux décrivent les performances du système laser en sortie
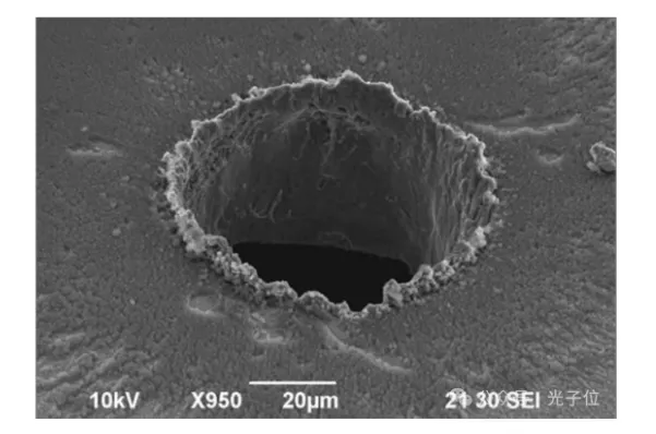
11 : Taille du spot (unités typiques : um)
La taille du spot d'un faisceau laser focalisé décrit le diamètre du faisceau au point focal du système de lentilles de focalisation. Dans de nombreuses applications telles que le traitement des matériaux et la chirurgie médicale, l'objectif est de minimiser la taille du spot. Cela maximise la densité de puissance et permet la création de caractéristiques particulièrement fines (Figure 5). Des lentilles asphériques sont souvent utilisées à la place des lentilles sphériques traditionnelles pour réduire les aberrations sphériques et produire des tailles de spot focal plus petites. Certains types de systèmes laser ne focalisent pas finalement le laser sur un point, auquel cas ce paramètre ne s'applique pas.

Figure 5 : Les expériences de micro-usinage laser menées à l'Institut italien de technologie montrent une augmentation de 10- fois de l'efficacité de l'ablation dans un système de perçage laser nanoseconde lorsque la taille du spot est réduite de 220 µm à 9 µm à un débit constant
12 : Distance de travail (unités typiques : um à m)
La distance de travail d'un système laser est généralement définie comme la distance physique entre l'élément optique final (généralement une lentille de focalisation) et l'objet ou la surface sur laquelle le laser est focalisé. Certaines applications, telles que les lasers médicaux, cherchent généralement à minimiser la distance de travail, tandis que d'autres, comme la télédétection, visent généralement à maximiser leur portée de distance de travail.






